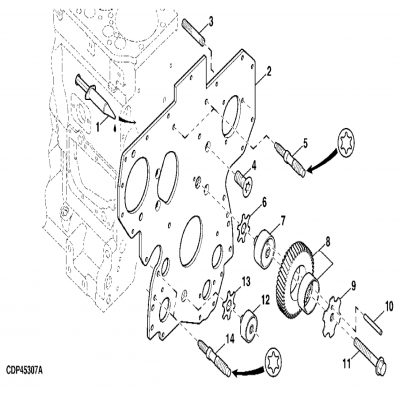
Group 36: Front Plate & Crankshaft Upper Idler Gears 第36組:前板和曲軸上惰輪齒輪“GM93289,”“GM93285,”“GM91650,”“GM85414,”&am
ItemPartNumber DescriptionQuantityVariation36021 GM50612 Kit, liquid gasket 12 GM17461 Plate 13 360092 Stud 34 360516 Screw 45 360514 Stud 26 360113 Washer, lock 17 360101 Shaft 18 GM50613 Helical gea
